¥10.00
推荐等级:A.63.2%
B.20%
C.36.8%
D.100%
开始考试练习点击查看答案图中电容器由电源US通过R1充电,然后换路后向R2放电,如R1>R2,则( )。
A.充电快于放电
B.放电快于充电
C.充放电快慢相同
D.无法比较
开始考试练习点击查看答案A.储能元件中的能量不能跃变
B.电路的结构或参数发生变化
C.电路中有独立电源存在
D.电路中有开关元件存在
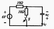
开始考试练习点击查看答案图示电路中,开关S在t=0时打开,则电容电压为( )。
A.10e-1000tV
B.10(1+e-1000t)V
C.10(1-e-l000t)V
D.10(1-e-1000t)V
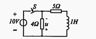
开始考试练习点击查看答案A.3e-10tV
B.-3e-10tV
C.-5e-10tV
D.5e-10tV
开始考试练习点击查看答案A.非振荡放电
B.振荡放电
C.临界过程
D.等幅振荡
开始考试练习点击查看答案A.
B.
C.
D.
A.0.1A
B.0.05A
C.0A
D.-0.1A
开始考试练习点击查看答案A.10V
B.8V
C.-8V
D.-10V
开始考试练习点击查看答案A.0.6A
B.OA
C.-0.6A
D.0.8A
开始考试练习点击查看答案第一章 电介质的电气特性与电气强度(周末班)
类别:高压课后习题第六章 电力系统故障的基本概念(周末班)
类别:电分课后习题第八章 电力系统稳定性基本概念和同步电机的机电特性(周末班
类别:电分课后习题第三章 电力系统各元件特性及数学模型(周末班)
类别:电分课后习题第一章 电力系统的基本概念(周末班)
类别:电分课后习题第七章 电力系统简单故障分析与计算(周末班)
类别:电分课后习题第五章 电力系统无功功率和电压调整 (周末班)
类别:电分课后习题第四章 电力系统有功功率和频率调整(周末班)
类别:电分课后习题第二章 电力系统各元件特性及数学模型(周末班)
类别:电分课后习题第八章 电力系统内部过电机理(周末班)
类别:高压课后习题长理培训客户端 资讯,试题,视频一手掌握
去 App Store 免费下载 iOS 客户端