
A.0A
B.1A
C.2A
D.3A

A.0.5A
B.1A
C.1.5A
D.2A
开始考试点击查看答案
A.1Ω
B.2Ω
C.3Ω
D.6Ω
开始考试点击查看答案
则i₂=( )A。
A.0.8
B.1.25
C.-0.8
D.-1.25
开始考试点击查看答案
A.18Ω
B.9Ω
C.6Ω
D.3Ω
开始考试点击查看答案
A.3V
B.9V
C.5V
D.-5V
开始考试点击查看答案
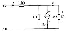
A.1.5Ω
B.3Ω
C.9Ω
D.2Ω
开始考试点击查看答案
A.4
B.5
C.6
D.7.5
开始考试点击查看答案
A.15A
B.5A
C.20A
D.25A
开始考试点击查看答案A.2
B.8
C.18
D.96
开始考试点击查看答案
A.2Ω
B.4Ω
C.6Ω
D.8Ω
开始考试点击查看答案长理培训客户端 资讯,试题,视频一手掌握
去 App Store 免费下载 iOS 客户端