¥10.00
推荐等级:A.25Ω
B.50Ω
C.100Ω
D.125Ω
开始考试练习点击查看答案A.有伴电压源需等效成有伴电流源代到方程中
B.当无伴电压源不属于两个网孔共有时,该网孔电流为已知量,可省去一个KVL方程
C.若电路中含有受控源,可将该受控源看作独立电源后,再将该受控源的控制量用网孔电流表示
D.若存在无伴电流源,则将与其串联的元件(如果有)直接略去后再正常处理
开始考试练习点击查看答案A.电导元件和电压源
B.电阻元件和电压源
C.电导元件和电流源
D.电阻元件和电流源
开始考试练习点击查看答案
A.N为线性无源二端网络,NL为线性无源二端网络
B.N为线性有源二端网络,NL不必是线性二端网络
C.N和NL都是线性有源二端网络
D.N为线性无源二端网络,NL不必是线性二端网络
开始考试练习点击查看答案A.负载获得最大功率时,电源的传输效率为50%
B.负载电阻RL等于戴维南等效电阻Req时,负载功率最大,为U²oc/2Req
C.负载电阻RL等于诺顿等效电阻Req时,负载功率最大,为I²sc/Req
D.负载电阻RL等于0时,负载中电流最大,电源的传输效率为0
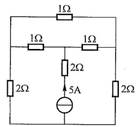
开始考试练习点击查看答案
A.-87.5
B.17.5
C.-17.5
D.87.5
开始考试练习点击查看答案
A.
B.
C.
D.
A.叠加定理既适用于线性电路,也适用于非线性电路
B.叠加定理是指在线性电路中的电流、电压、功率等物理量,都是电路中各个独立源单独作用时在该处产生的物理量的代数和的叠加
C.可进行戴维南等效的一端口网络内不能包含外接电路中受控源的控制量,内部的受控源控制量可以在端口外
D.戴维南等效电路中电压和电阻都可能为负值
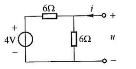
开始考试练习点击查看答案
A.u=3i-2
B.u=3i+2
C.u=-3i+2
D.u=-3i-2
开始考试练习点击查看答案
A.1A
B.2A
C.3A
D.4A
开始考试练习点击查看答案长理培训客户端 资讯,试题,视频一手掌握
去 App Store 免费下载 iOS 客户端