
A.2.5Ω,2.5Ω
B.2.5Ω,5Ω
C.5Ω,2.5Ω
D.5Ω,5Ω
A.分流
B.分压
C.分频
D.增加电阻
开始考试点击查看答案
A.0.5A
B.-0.5A
C.-1A
D.3A
开始考试点击查看答案
A.20
B.42
C.-20
D.4
开始考试点击查看答案
A.R1+R2
B.R1//R2
C.R1+R2//RL
D.R2
开始考试点击查看答案
A.2Ω
B.4Ω
C.6Ω
D.8Ω
开始考试点击查看答案
A.5Ω
B.6Ω
C.20/30
D.40/3Ω
开始考试点击查看答案
A.端电压U变化
B.R支路电流变化
C.输出电流I变化
D.上述三者同时变化
开始考试点击查看答案
A.1A与1V
B.0A与-1V
C.1A与0V
D.0A与1V
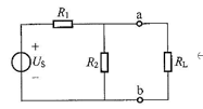
开始考试点击查看答案如图所示电路,a.b端的开路电压Uab为( )。
A.A.0
B.R1/(R1+R2)Us
C.R2/(R1+R2)Us
D.R2//RL/(R1+R2//RL)Us
开始考试点击查看答案
A.2/3Ω
B.21/13Ω
C.18/11Ω
D.45/28Ω
开始考试点击查看答案长理培训客户端 资讯,试题,视频一手掌握
去 App Store 免费下载 iOS 客户端