
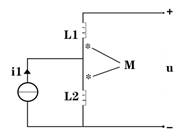
A.220V
B.110V
C.55V
D.0V

A.
B.
C.
D.

A.M/L1U2(t)
B.L1/MU2(t)
C.M/L2U2(t)
D.L2/MU2(t)
开始考试点击查看答案
A.220V
B.110V
C.55V
D.0V
开始考试点击查看答案
A.U1,因变压器变比k及电阻RL.R1未知,无法确定
B.U1=45√2sinωtV
C.U1=60√2sinωtV
D.U1=30√2sinωtV
开始考试点击查看答案
A.0.25
B.0.02
C.0.5
D.1
开始考试点击查看答案A.0
B.2
C.4
D.6
开始考试点击查看答案
A.L1-M2/L2
B.L2-M2/L1
C.L1+M2/L2
D.L2+M2/L1
开始考试点击查看答案
A.10,25
B.0.1,25
C.10,0.25
D.0.1,0.25
开始考试点击查看答案
A.1
B.2
C.3.5
D.2.5
开始考试点击查看答案
,
,
,M=0.1H,电压u的有效值为( )V。
A.4
B.2
C.8
D.4
长理培训客户端 资讯,试题,视频一手掌握
去 App Store 免费下载 iOS 客户端