
A.4
B.-4
C.2
D.-2

A.1A
B.2A
C.5A
D.4A
开始考试点击查看答案A.50mA
B.2.5mA
C.250mA
开始考试点击查看答案
A.端口电压U变化
B.端口电流I变化
C.电流源Is两端的电压Us变化
D.上述三者同时变化
开始考试点击查看答案A.∑I=0
B.U=IR
C.U=E-IR
D.∑E=∑IR
开始考试点击查看答案
A.40W
B.-40W
C.80W
D.-80W
开始考试点击查看答案
A.1
B.5
C.1.7
D.3.4
开始考试点击查看答案
A.-72W
B.72W
C.36W
D.-36W
开始考试点击查看答案
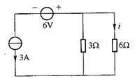
A.1A
B.-1A
C.2A
D.-2A
开始考试点击查看答案
A.0.5A
B.-1A
C.1.5A
D.2A
开始考试点击查看答案
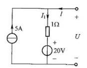
A.U=25+I
B.U=25-I
C.U=-25-I
D.U=-25+I
开始考试点击查看答案长理培训客户端 资讯,试题,视频一手掌握
去 App Store 免费下载 iOS 客户端