下图所示电路中,如果把每个元件作为一条支路处理,则独立的KCL和KVL方程数分别为()。 
A.6和6
B.4和5
C.6和5
D.4和6
A.回路电流法列写的是KVL方程
B.回路电流法自动满足KCL方程
C.结点电压法列写的是KCL方程
D.结点电压法自动满足KCL方程
开始考试点击查看答案图示电路中,如采用节点电压法求解,并设6点为参考点,下列方程式正确的是()。 
A.
B.
C.
D.
用网孔分析法求图示电路中的电流I时,所列出的网孔方程正确的是(〉。 
A.
B.
C.
D.
图示电压U为()。 
A.
B.
C.
D.
电路如图所示,己知
用网孔电流法列出的方程,正确的是()。
A.
B.
C.
D.
下图所示电路中,如果把电压源(独立或受控)和电阻的串联组合.电流源和电阻的并联组合作为一条支路处理,则独立的KCL和KVL方程数分别为()。 
A.6和6
B.4和5
C.4和6
D.5和6
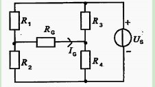
开始考试点击查看答案下图所示电路中,各电阻值和
值均己知。欲用支路电流法求解流过电阻心的电流需列出独立的KCL和方程数分别为()。 
A.4和3
B.3和3
C.3和4
D.4和4
开始考试点击查看答案A.节点电压法
B.支路电流法
C.支路电压法
D.网孔电流法
开始考试点击查看答案A.电压源与电阻元件
B.电压源与电导元件
C.电流源和电阻元件
D.电流源和电导元件
开始考试点击查看答案A.电导元件和电压源
B.电阻元件和电压源
C.电导元件和电流源
D.电阻元件和电流源
开始考试点击查看答案长理培训客户端 资讯,试题,视频一手掌握
去 App Store 免费下载 iOS 客户端