=6Ω时可获得最大功率,且最大功率
=3W,则该含源二端网络的诺顿等效电雖的电流源电流为()A。A.
B.2
C.4
D.6
A.可以用
B.不能用
C.有条件地使用
D.无法确定
开始考试点击查看答案A.2
B.8
C.16
D.128
开始考试点击查看答案下图所示电路中,负载电阻
等于()时能获得最大功率。 
A.1.5
B.2.5
C.3
D.3.5
开始考试点击查看答案
等于()Ω时取得最大功率。
A.5
B.10
C.2.5
D.4
开始考试点击查看答案
()。
A.5W
B.10W
C.20W
D.40W
开始考试点击查看答案下图所示电路,其诺顿等效电路如图(b)所示,电路元件参数为() 
A.
=1AR=2Ω
B.
=1A R=1Ω
C.
=2A R=1Ω
D.
=2AR=2Ω
己知有源线性二端网络的端口伏安特性如下图所示。其戴维南等效参数为()。 
A.
=2V
=1Ω
B.
=1V
=0.5Ω
C.
=-1V
=2Ω
D.
=-2V
=1.5Ω
如下图所示电路中,当
()V。 
B.-1
C.1
D.2
开始考试点击查看答案
的作用下,U=10V如果使U増大到40V则电流源电流应为()。
A.0.25
B.0.5
C.2
D.4
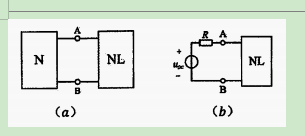
下图所示电路,利用戴维南定理把图(a)电路简化为图(b)时,满足的条件是()。 
A.N为线性无源二端网络,N1为线性无源二端网络
B.N为线性有源二端网络,N1不必是线性二端网络
C.N和N1都是线性的有源二端网络
D.N和N1都是线性的无源二端网络
开始考试点击查看答案长理培训客户端 资讯,试题,视频一手掌握
去 App Store 免费下载 iOS 客户端