¥10.00
推荐等级:A.理想电压源
B.理想电流源
C.理想电压源与电阻串联
D.理想电流源与电阻并联
开始考试练习点击查看答案A.理想电压源
B.理想电流源
C.理想电压源与电阻串联
D.理想电流源与电阻并联
开始考试练习点击查看答案A.开路
B.短路
C.保留
D.转换为电压源
开始考试练习点击查看答案己知用戴维南定理求得电流
为()。
A.1A
B.2A
C.3A
D.4A
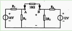
开始考试练习点击查看答案下图所示电路中,当在A、B两点之间接入一个R=10Ω的电阻时,16V电压源输出功率将()。
A.增大
B.减少
C.不变
D.不定
开始考试练习点击查看答案A.5W
B.10W
C.20W
D.40W
开始考试练习点击查看答案A.5
B.10
C.2.5
D.4
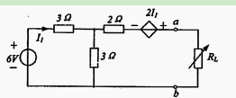
开始考试练习点击查看答案下图所示电路中,负载电阻等于()时能获得最大功率。
A.1.5
B.2.5
C.3
D.3.5
开始考试练习点击查看答案A.2
B.8
C.16
D.128
开始考试练习点击查看答案A.可以用
B.不能用
C.有条件地使用
D.无法确定
开始考试练习点击查看答案长理培训客户端 资讯,试题,视频一手掌握
去 App Store 免费下载 iOS 客户端