A.欠阻尼过程
B.过阻尼过程
C.临界阻尼过程
D.无阻尼过程
下图所示电路中,开关S在t=0瞬间闭合,若
(0_)=OV,则i(0+)=()。 
A.1A
B.0.5A
C.
A
D.2A
开始考试点击查看答案A.一阶电路的全响应=(零输入响应)+(零状态响应)
B.一阶电路的全响应=(零输入响应)+(稳态分量)
C.一阶电路的全响应=(零输入响应)+(瞬态分量〉
D.一阶电路的全响应=(瞬态分量)+(零状态响应)
开始考试点击查看答案下图所示电路原处于临界阻尼状态,现添加一个如虚线所示的电容C,电路成为()状态。 
A.过阻尼
B.欠阻尼
C.临界阻尼
D.无阻尼
开始考试点击查看答案
A.10V
B.8V
C.-8V
D.-10V
开始考试点击查看答案
A.0.1A
B.0.05A
C.0A
D.-0.1A
开始考试点击查看答案下图所示电路在稳定状态下闭合开关S,该电路()。 
A.不产生过渡过程,因为换路未引起L的电流发生变化
B.要产生过渡过程,因为电路发生换路
C.要发生过渡过程,因为电路有储能元件且发生换路
D.要产生过渡过程,因为换路引起L电压发生变化
开始考试点击查看答案
,则该电路()。
A.因为换路后C的稳态电压要发生变化,要产生过渡过程
B.因为换路后C的电压稳态值不发生变化,不产生过渡过程
C.因为有储能元件且发生换路,电路一定能产生过渡过程.
D.无法判断
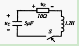
开始考试点击查看答案下图所示电路中,开关S在t=0瞬间闭合,
(0_)=5V,则
(0+)=()。 
A.5V
B.OV
C.2.5V
D.-5V
开始考试点击查看答案A.电路结构形式
B.外加激励大小
C.电路结构和参数
D.仅是电路参数
开始考试点击查看答案下图所示电路,在t=0瞬间将开关S闭合,且
(0_)=-6V,则
(0+)=()。 
A.4V
B.16V
C.-4V
D.-16V
开始考试点击查看答案长理培训客户端 资讯,试题,视频一手掌握
去 App Store 免费下载 iOS 客户端