A.7.5μF
B.4.5μF
C.1.2μF
D.4μF
下图所示电路中,开关S闭合时的时间常数为
,断开时的时间常数为
,则
和
的关系是()。 
A.
=
B.
=
C.
=2
D.
=
A.10H
B.6H
C.1.6H
D.4H
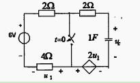
开始考试点击查看答案下图所示电路,在t=0瞬间将开关S闭合,且
(0_)=-6V,则
(0+)=()。 
A.4V
B.16V
C.-4V
D.-16V
开始考试点击查看答案A.电路结构形式
B.外加激励大小
C.电路结构和参数
D.仅是电路参数
开始考试点击查看答案下图所示电路中,开关S在t=0瞬间闭合,
(0_)=5V,则
(0+)=()。 
A.5V
B.OV
C.2.5V
D.-5V
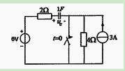
开始考试点击查看答案下图所示电路,时间常数是()。 
A.0.25s
B.0.5s
C.2s
D.4s
开始考试点击查看答案
A.(30~50)ms
B.(37.5~62.5)ins
C.(6~10)ms
D.(10~20)ms
开始考试点击查看答案A.4V
B.0.4V
C.0.8V
D.8V
开始考试点击查看答案图示电路开关闭合后的电压
(∞)等于()。 
A.2V
B.4V
C.6V
D.8V
开始考试点击查看答案图示电路原己稳定,t=0闭合开关,求t>0的电容电压叫⑴ 
A.
B.
C.
D.
长理培训客户端 资讯,试题,视频一手掌握
去 App Store 免费下载 iOS 客户端