A.电容电压的大小按照指数规律上升
B.电容电压的大小按照指数规律下降
C.电容电流的大小按照指数规律上升
D.电容电流的大小按照指数规律下降
A.电容电压的大小按照指数规律上升
B.电容电压的大小按照指数规律下降
C.电容电流的大小按照指数规律上升
D.电容电流的大小按照指数规律下降
开始考试点击查看答案图所示RLC并联电路中,t=0时开关S闭合。问t>0时三个灯泡L1、L2和L3的亮度如何变化?()。 
A.L1的点亮之后亮度不变
B.L2的缓慢亮起之后到最亮
C.L3的亮度先最亮后熄灭
D.L2和L3不亮
开始考试点击查看答案A.当R—定时,C越大,则时间常数越大,过渡过程持续的时间就越长
B.当R—定时,C越小,则时间常数越大,过渡过程持续的时间就越长
C.当C—定时,R越大,则时间常数越大,过渡过程持续的时间就越长
D.当C一定时,R越小,则时间常数越大,过渡过程持续时间就就越长
开始考试点击查看答案A.外加电压
B.匣数
C.有无铁芯
D.尺寸
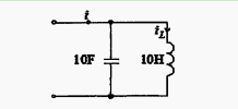
开始考试点击查看答案图示电路中电感电流
则i(t)等于()。 
A.
B.
C.
D.
A.初始值
B.起始值
C.时间常数
D.稳态值
开始考试点击查看答案A.换路前后瞬间电容电压不变
B.换路前后瞬间电阻电压不变
C.换路前后瞬间电感中电流不变
D.换路前后瞬间电阻中电流不变
开始考试点击查看答案A.换路
B.存在外加激励
C.存在储能元件
D.存在初始储能
开始考试点击查看答案A.无阻尼
B.负阻尼
C.过阻尼
D.欠阻尼
开始考试点击查看答案A.一阶电路一定只能有一个动态元件
B.只有一个动态元件的电路一定是一阶电路
C.二阶电路一定只能有两个动态元件
D.状态方程为二阶线性微分方程的电辂为二阶线性电路
开始考试点击查看答案长理培训客户端 资讯,试题,视频一手掌握
去 App Store 免费下载 iOS 客户端