¥10.00
推荐等级:A.036
B.-204
C.066
D.0412
开始考试练习点击查看答案欲使下图所示电路中的电流I=0,应为()。
A.2V
B.3V
C.1V
开始考试练习点击查看答案A.绝对
B.相对
C.常量
D.变化
开始考试练习点击查看答案A.电流
B.电压
C.电流和电压
D.支路
开始考试练习点击查看答案A.发出功率4W
B.发出功率16W
C.吸收功率4W
D.吸收功率16W
开始考试练习点击查看答案A.U=-R*I
B.U=+R*I
C.U=--R*I
D.U=-+R*I
A.32W
B.-32W
C.16W
D.-16W
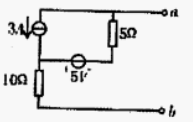
开始考试练习点击查看答案图中,a,b之间的开路电压为()。
A.-10V
B.-20V
C.10V
D.20V
开始考试练习点击查看答案A.200Ω
B.-200Ω
C.±200Ω
开始考试练习点击查看答案A.0.01A
B.0.203A
C.5.6A
D.0.316A
开始考试练习点击查看答案长理培训客户端 资讯,试题,视频一手掌握
去 App Store 免费下载 iOS 客户端