¥10.00
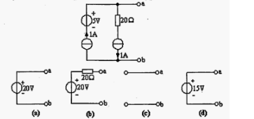
推荐等级:试判断图示电路ab端的等效电路是()
A.图(a)
B.图(b)
C.图(c)
D.图(d)
开始考试练习点击查看答案A.10V
B.20V
C.30V
D.40V
开始考试练习点击查看答案A.全是10Ω
B.两个30Ω一个90Ω
C.全是90Ω
D.全是30Ω
开始考试练习点击查看答案图示AB端口的输入电阻R为()。
A.150
B.50
C.100
D.300
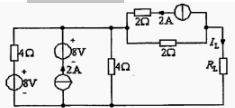
开始考试练习点击查看答案应用等效变换的方法,R=4Ω,图示电路中的为().
A.0.5A
B.2A
C.1A
D.3A
开始考试练习点击查看答案A.12
B.50
C.20
D.30
开始考试练习点击查看答案所示电路中,利用电源等效变换过程,求i为()。
A.0.5A
B.2A
C.1A
D.0.125A
开始考试练习点击查看答案下列关于图中电源的转换正确的是()。
A.=18V,R-3Ω
B.=18V,R-2Ω
C.=-18V,R-3Ω
D.=-18V,R-2Ω
A.2V
B.4V
C.8V
D.12V
开始考试练习点击查看答案如图是某实际电压源的外特性曲线,则该电源的等效内阻等于()。
A.4Ω
B.3Ω
C.6Ω
D.2/3Ω
开始考试练习点击查看答案长理培训客户端 资讯,试题,视频一手掌握
去 App Store 免费下载 iOS 客户端