¥10.00
推荐等级:图示网络的戴维南等效电路为()。
A.
B.
C.
D.
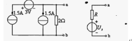
如图所示,右图为左图的等效电路,则在右图所示电路中,=__V,R=__Ω.
A.62
B.32
C.61.5
D.31.5
开始考试练习点击查看答案A.二端有源
B.二端无源
C.三端有源
D.三端无源
开始考试练习点击查看答案A.将待求支路与有源二端网络分离,对断开的两个端钮分别标以记号。
B.对有源二端网络求解其开路电压
C.把有源二端网络进行除源处理:其中电压源用短接线代替,电流源断开,然后对无源二端网络求解其入端电阻R.
D.让开路电压等于戴维南等效电路的电压源
,入端电阻R等于戴维南等效电路的内阻
,在戴维南等效电路两端断开处重新把待求支路接上,根据欧姆定律求出其电流或电压。
A.不仅适用于线性电路,而且适用于非线性电路。
B.仅适用于非线性电路的电压、电流计算。
C.仅适用于线性电路,并能利用其计算各分电路的功率进行叠加得到原电路的功率。
D.仅适用于线性电路的电压.电流计算。
开始考试练习点击查看答案A.仅适用于线性电路,不适用于非线性电路。
B.仅适用于线性电路的电压.电流计算。
C.对于不作用的电流源可用短路替代,不作用的电压源可用开路替代。
D.对于不作用的电流源可用开路替代,不作用的电压源可用短路替代。
开始考试练习点击查看答案A.正确
B.错误
开始考试练习点击查看答案A.正确
B.错误
开始考试练习点击查看答案A.正确
B.错误
开始考试练习点击查看答案A.正确
B.错误
开始考试练习点击查看答案长理培训客户端 资讯,试题,视频一手掌握
去 App Store 免费下载 iOS 客户端