¥10.00
推荐等级:A.增大
B.减少
C.不变
D.不能确定
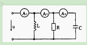
开始考试练习点击查看答案如图所示电路,并联上电容C后,电流表读数将会()
A.增大
B.减少
C.不变
D.不能确定
开始考试练习点击查看答案A.增大
B.减少
C.不变
D.不能确定
开始考试练习点击查看答案A.
B.
C.
D.
A.感性
B.容性
C.阻性
D.无法确定
开始考试练习点击查看答案A.UI
B.
C.0D.
在右图所示电路中,并已知安培表
的读数为3A,则安培表
的读数应为()
A.1A、1A
B.3A、0A
C.4.24A、3A
D.4.24A、0
开始考试练习点击查看答案A.大于0.5
B.小于0.5
C.等于0.5
D.等于0.5
开始考试练习点击查看答案A.两电压之和等于总电压
B.两电压的相量和等于总电压
C.两电压之和的一半等于总电压
D.无法确定
开始考试练习点击查看答案A.2.5,0.2
B.2.5,0.5
C.2.0,0.2
D.2.0,0.5
开始考试练习点击查看答案长理培训客户端 资讯,试题,视频一手掌握
去 App Store 免费下载 iOS 客户端