¥10.00
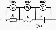
推荐等级:A.200sinωt
B.200sinωt
C.200sin(ωt-30°)
D.200sin(ωt-30°)
开始考试练习点击查看答案A.14
B.18
C.20
D.22
开始考试练习点击查看答案A.达到最大值
B.达到最大值
C.达到最大值
D.I达到最大值
开始考试练习点击查看答案A.正确
B.错误
开始考试练习点击查看答案A.-1A
B.-0.41A
C.1A
D.3A
开始考试练习点击查看答案A.(7.07+j7.07)Ω
B.(7.07+j2.07)Ω
C.(7.07+/12.07)Ω
D.(7.07-12.07)Ω
开始考试练习点击查看答案A.提高功率因数是为了提高电源设备容量利用率,同时减少线路损耗
B.对应容性负载,可以通过在负载两竭并联电感的方式提高电路的功率因数
C.提高功率因数后电路总电流的有效值减少了,电源的无功输出减少了
D.提高功率因数就是想办法使原负载的功率因数变大,从而提高电路的输电效率
开始考试练习点击查看答案A.正确
B.错误
开始考试练习点击查看答案A.正确
B.错误
开始考试练习点击查看答案A.
B.
C.
D.
长理培训客户端 资讯,试题,视频一手掌握
去 App Store 免费下载 iOS 客户端