¥10.00
推荐等级:A.负载Y形联接时必须有中线:
B.三相负载越接近对称时中线电流越小:
C.负载Y形联接时线电流必等于相电流:
D.负载0形联接时线电压必等于相电压。
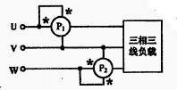
开始考试练习点击查看答案A.Y形无中线
B.Y形有中线
C.Δ形
D.无法确定
开始考试练习点击查看答案A.正确
B.错误
开始考试练习点击查看答案A.正确
B.错误
开始考试练习点击查看答案A.0.5
B.
C.1
D.
A.10
B.0C.14.14D.7.32
开始考试练习点击查看答案A.
B.
C.
D.
A.
B.
C.
D.
A.1732A
B.10A
C.18.66A
D.26.46A
开始考试练习点击查看答案A.100
B.33.3
C.173
D.300
开始考试练习点击查看答案长理培训客户端 资讯,试题,视频一手掌握
去 App Store 免费下载 iOS 客户端