¥10.00
A.1
B.2
C.3
D.4
A.25
B.10
C.50
D.100
A.13.8
B.16
C.120
D.160
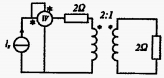
图示电路,则功率要的读数为()w
A.12
D.-160
A.60
B.100
C.121
D.51.5
第一章 电力电子电力电子器件
第一章 电力电子器件
绪论 电力电子基础知识
第二 章电力电子整流电路
第三章 电力电子逆变电路
第四章 电力电子直流-直流电路
第五章 电力电子交流-交流变流电路
第一章 电力电子基础
第二章 整流电路
第三章 逆变电路
电网线性电阻电路的等效变换与分析
电路原理正弦稳态电路的分析
电网正弦稳态电路的分析
电路原理线性电阻电路的等效变换与分析
电网一阶和二阶电路的时域分析
电网电路的基本概念和基本定律
正弦电路分析
电网三相电路的基本概念和计算
电路模型和电路定律
电路原理一阶和二阶电路的时域分析
报班培训
网课学习
免费资料
老师解答
长理培训客户端 资讯,试题,视频一手掌握
首页
网课
题库
个人中心