¥10.00
推荐等级:A.10Ω
B.7.07Ω
C.20Ω
D.5Ω
开始考试练习点击查看答案A.倍
B.4倍
C.2倍
D.4倍
开始考试练习点击查看答案A.1000W
B.W
C.500W
D.1500W
开始考试练习点击查看答案A.2倍
B.1/2倍
C.1/4倍
D.4倍
开始考试练习点击查看答案A.电阻
B.电感
C.电容
D.以上都对
开始考试练习点击查看答案A.UL+UC
B.U
C.0D.∞
开始考试练习点击查看答案A.调频率法使减小
B.调L(或C)使増大
C.对无影响
D.无法确定变化规律
A.达到最大值
B.达到最小值
C.随L増大而减小
D.L増大但电流保持不变
开始考试练习点击查看答案A.
B.I
C.0D.∞
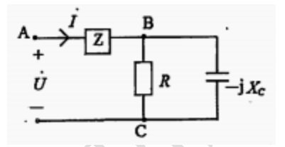
开始考试练习点击查看答案下图所示正弦电路中,R==5Ω,
=
,且电路处于堦振状态,则复阻抗之为()。
A.
B.
C.
D.
长理培训客户端 资讯,试题,视频一手掌握
去 App Store 免费下载 iOS 客户端