¥10.00
推荐等级:A.三次谐波分量
B.六次谐波分量
C.基波分瘇
D.恒定分量
开始考试练习点击查看答案A.
B.
C.
D.无法比较
开始考试练习点击查看答案下图所示电路处于稳态则电压表和电流表的读数分别为()。
A.70.7V,8A
B.223V,8A
C.70.7V,4A
D.223V,4A
开始考试练习点击查看答案A.20.
B.40
C.6Q
D.80
开始考试练习点击查看答案A.0.05kHz
B.0.1kHz
C.10kHz
D.100kHz
开始考试练习点击查看答案A.适用于任何电流
B.适用于任何周期性电流
C.仅适用于正弦电癍
D.适用于直流电流
开始考试练习点击查看答案A.
B.
C.
D.
A.
B.
C.
D.
A.25.95W
B.45W
C.1.9W
D.19W
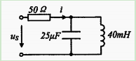
开始考试练习点击查看答案下图所示电路,则电流i的有效值为()A。
A.1
B.2
C.3
D.4
开始考试练习点击查看答案长理培训客户端 资讯,试题,视频一手掌握
去 App Store 免费下载 iOS 客户端