¥10.00
推荐等级:A.0A,2V
B.20A,0
C.20A,0V
D.0A,0V
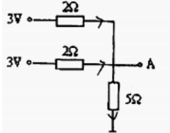
开始考试练习点击查看答案求图示电路中,A点的电位。
A.1.5V
B.2V
C.2.5V
D.3V
开始考试练习点击查看答案A.6V
B.-4V
C.8V
D.5V
开始考试练习点击查看答案图示电路中,电压源=()。
A.2V
B.4V
C.6V
D.8V
开始考试练习点击查看答案A.电压源发出功事20W,电流源吸收功率20W
B.电压源吸收功率20W,电流源发出功率20W
C.电压源发出功率20W,电流源未定
D.电流源发出功率20W,电压源未定
开始考试练习点击查看答案A.电流源发出功率20W,电阻吸收功率20W。
B.电流源吸收功率20W,电阻发出功率20W。
C.电流源发出功率0.8W,电阻吸收功率0.8W。
D.电流源功吸收率0.8W,电阻发出功率0.8W。
开始考试练习点击查看答案直流电路如图求=()。
A.3A
B.2A
C.1A
D.5A
开始考试练习点击查看答案A.越大
B.越小
C.不能确定
开始考试练习点击查看答案A.20,4
B.20,6
C.16,4
D.16,6
开始考试练习点击查看答案A.8
B.10W
C.15W
D.20W
开始考试练习点击查看答案长理培训客户端 资讯,试题,视频一手掌握
去 App Store 免费下载 iOS 客户端