¥10.00
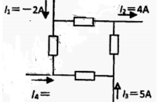
推荐等级:直流电路如图求=()。
A.3A
B.2A
C.1A
D.5A
开始考试练习点击查看答案A.越大
B.越小
C.不能确定
开始考试练习点击查看答案A.20,4
B.20,6
C.16,4
D.16,6
开始考试练习点击查看答案A.8
B.10W
C.15W
D.20W
开始考试练习点击查看答案实际电压源在供电时,它的端电压()它的电动势。
A.高于
B.低于
C.等于
D.不确定
开始考试练习点击查看答案图所示电路中,R=4Ω,=3A,电流源发出(产生)的功率P为()。
A.108W
B.36W
C.-729
D.-36W
开始考试练习点击查看答案A.吸收(即消耗)
B.发出(即产生)
C.时发时吸
D.不发不吸
开始考试练习点击查看答案A.、
都发出功率
B.、
都吸收功率
C.发出功率,
不一定
D.发出功率,
不一定
A.9
B.3
C.6
D.2
开始考试练习点击查看答案A.电压与电流关系
B.电压与电荷关系
C.电流与电荷关系
D.电流与磁通关系
开始考试练习点击查看答案长理培训客户端 资讯,试题,视频一手掌握
去 App Store 免费下载 iOS 客户端