¥10.00
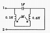
推荐等级:一端口网络如图所示,端口等效电感为()
A.1H
B.2H
C.3.5H
D.4H
开始考试练习点击查看答案A.载流线圈之间通过彼此的磁场相互联系的物理现象称为磁耦合
B.裁流线圈之间通过彼此的磁场相互联系的物理现象称为互感
C.含有耦合电感电路的分析常采用相量法
D.反向串联耦合电路互感起“削弱”作用
开始考试练习点击查看答案A.正确
B.错误
开始考试练习点击查看答案图示电路,已知M=0.1H,电压u的有效值为()Ω.
A.4
B.2
C.8
D.4
线圈几何尺寸确定后,其互感电压的大小正比于相邻线圈中电流的()
A.大小
B.变化量
C.变化率
D.绝对值
开始考试练习点击查看答案图示电路中耦合系数K=0.9,当角频率ω=-2rad/s时电路的输入阻抗为()Ω。
A.0.64
B.j0.64
C.j0.14
D.0.14
开始考试练习点击查看答案A.0.25
B.0.5
C.0.1
D.0.01
开始考试练习点击查看答案A.41.5
B.6.61
C.14.35
D.7.72
开始考试练习点击查看答案A.
B.
C.
D.
A.电感元件
B.电容元件
C.电阻元件
D.磁通
开始考试练习点击查看答案长理培训客户端 资讯,试题,视频一手掌握
去 App Store 免费下载 iOS 客户端