¥10.00
推荐等级:下图所示电路中,己知:US=2V,IS=2A。电流I为()A。
A.2
B.-2
C.-4
D.4
开始考试练习点击查看答案A.0.5R
B.1R
C.1.5R
D.2R
开始考试练习点击查看答案在下图所示电路中,电源电压U=2v若使电流I=3A,电阻R值为()Ω。
A.1
B.2
C.3
D.4
开始考试练习点击查看答案图a中的=2V用图所示的等效电流源代替图a所示的电路,该等效电流源的参数为()。
A.=1A,R=2Ω
B.=1A,R=1Ω
C.=2A,R=1Ω
D.=2A,R=2Ω
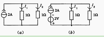
把图a所示的电路改为图b的电路,其负载电流和
将()。
A.増大
B.不变
C.减小
D.不能确定
开始考试练习点击查看答案下图所示电路中的等效电阻为()Ω。
A.4
B.5
C.6
D.10
开始考试练习点击查看答案A.
B.
C.
D.
A.串联
B.并联
C.星型联接
D.角型联接
开始考试练习点击查看答案图中R=()时=2V。
A.1/2
B.2/2
C.3i2
D.4J2
开始考试练习点击查看答案A.
B.
C.
D.
长理培训客户端 资讯,试题,视频一手掌握
去 App Store 免费下载 iOS 客户端