图所示电路中,输入电阻。为()。
A.12
B.50
C.20
D.30
应用等效变换的方法,R=4Ω,图示电路中的
为().
A.0.5A
B.2A
C.1A
D.3A
开始考试点击查看答案图示AB端口的输入电阻R为()。 
A.150
B.50
C.100
D.300
开始考试点击查看答案A.全是10Ω
B.两个30Ω一个90Ω
C.全是90Ω
D.全是30Ω
开始考试点击查看答案
:
=1:2,总电压为60V,则以的大小为()A.10V
B.20V
C.30V
D.40V
开始考试点击查看答案试判断图示电路ab端的等效电路是() 
A.图(a)
B.图(b)
C.图(c)
D.图(d)
开始考试点击查看答案所示电路中,利用电源等效变换过程,求i为()。
A.0.5A
B.2A
C.1A
D.0.125A
开始考试点击查看答案下列关于图中电源的转换正确的是()。
A.
=18V,R-3Ω
B.
=18V,R-2Ω
C.
=-18V,R-3Ω
D.
=-18V,R-2Ω
图所示电路,已知U=3V,R为()。
A.1kΩ
B.5kΩ
C.2kΩ
D.3kΩ
开始考试点击查看答案
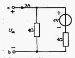
为()。
A.2V
B.4V
C.8V
D.12V
开始考试点击查看答案电路如图所示,ab两端的等效电阻为()
A.1Ω
B.5Ω
C.2Ω
D.3.5Ω
开始考试点击查看答案长理培训客户端 资讯,试题,视频一手掌握
去 App Store 免费下载 iOS 客户端