¥10.00
推荐等级:如图,设开关s打开前电路的时间常数为,打开后为
,则和
的关系()。
A.
B.
C.
D.无法确定
开始考试练习点击查看答案图示电路开关闭合后电容电流的时间常数().
A.0.2s
B.0.3s
C.0.4s
D.0.5s
开始考试练习点击查看答案A.0.1s
B.0.3s
C.0.4s
D.0.5s
开始考试练习点击查看答案图示电路开关打开已经很久,t=0时开关闭合,t≥0时的电容电压为()。
A.1-(V)
B.2-3(V)
C.1-3(V)
D.-3(V)
如图所示,开关s闭合时电路处于稳态,当t=0时打开,t≥0时的为()。
A.=1-2.5
(A)
B.=1-2.5
(A)
C.=-2.5
(A)
D.=-2.5
(A)
如图,开关S闭合时电路处于稳态,当t=0时打开,t≥0时的为()。
A.=2-16
(V)
B.=-16
(V)
C.=2-16
(V)
D.=-16
(V)
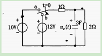
如图,t<0时电路已达到稳态,当开关s在t=0时从a打到b端点,则是()。
A.=8-
(V)
B.=-
C.=-
D.=8-
A.=[
-
]
B.=
+[
-
]
C.=
+[
-
)]
D.=
+[
-
]
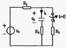
图中,E=10V,=
=10kΩ,C=200pF.开关原在位置1,处于稳态:在t=0时,s切换到位置2,电容元件两端电压
为()。
A.=5(-
)V
B.=1-
V
C.=5(1-
)V
D.=5(1-
)V
A.u[()=-6V
B.u。(t)=12-6V
C.u()=12-6V
D.u。(t)=12-6V
长理培训客户端 资讯,试题,视频一手掌握
去 App Store 免费下载 iOS 客户端