¥10.00
推荐等级:A.4
B.6
C.2
D.8
开始考试练习点击查看答案A.2V
B.-2V
C.-20V
D.20V
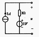
开始考试练习点击查看答案A.U=25+I
B.U=-25+I
C.U=25-1
D.U=-25-I
开始考试练习点击查看答案A.54W
B.27W
C.0W
D.18W
开始考试练习点击查看答案A.4
B.5
C.6
D.8
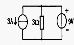
开始考试练习点击查看答案A.40V
B.70V
C.60V
D.140V
开始考试练习点击查看答案A.这两点间的电位都高
B.这两点间的电位差大
C.这两点间的电位都大于零
D.与这两点的电位无关
开始考试练习点击查看答案A.R/2
B.R
C.R/4
D.R/8
开始考试练习点击查看答案A.和导体截面积有关
B.和导体长度有关
C.和环境温度无关
D.和材料性质有关
开始考试练习点击查看答案A.电压加倍
B.电压减半
C.电阻加倍
D.电阻减半
开始考试练习点击查看答案第一章 电介质的电气特性与电气强度(周末班)
类别:高压课后习题第六章 电力系统故障的基本概念(周末班)
类别:电分课后习题第八章 电力系统稳定性基本概念和同步电机的机电特性(周末班
类别:电分课后习题第三章 电力系统各元件特性及数学模型(周末班)
类别:电分课后习题第一章 电力系统的基本概念(周末班)
类别:电分课后习题第七章 电力系统简单故障分析与计算(周末班)
类别:电分课后习题第五章 电力系统无功功率和电压调整 (周末班)
类别:电分课后习题第四章 电力系统有功功率和频率调整(周末班)
类别:电分课后习题第二章 电力系统各元件特性及数学模型(周末班)
类别:电分课后习题第八章 电力系统内部过电机理(周末班)
类别:高压课后习题长理培训客户端 资讯,试题,视频一手掌握
去 App Store 免费下载 iOS 客户端