¥10.00
推荐等级:A.
B.
C.
D.
A.(30~50)ms
B.(37.5~62.5)ins
C.(6~10)ms
D.(10~20)ms
开始考试练习点击查看答案A.2V
B.4V
C.6V
D.8V
开始考试练习点击查看答案A.
B.
C.
D.
A.
B.
C.
D.
A.4V
B.16V
C.-4V
D.-16V
开始考试练习点击查看答案A.7.5μF
B.4.5μF
C.1.2μF
D.4μF
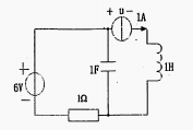
开始考试练习点击查看答案A.1A
B.0.8A
C.0.631A
D.0.369A
开始考试练习点击查看答案A.1V
B.2V
C.5V
D.10V
开始考试练习点击查看答案A.4V
B.0.4V
C.0.8V
D.8V
开始考试练习点击查看答案第一章 电介质的电气特性与电气强度(周末班)
类别:高压课后习题第六章 电力系统故障的基本概念(周末班)
类别:电分课后习题第八章 电力系统稳定性基本概念和同步电机的机电特性(周末班
类别:电分课后习题第三章 电力系统各元件特性及数学模型(周末班)
类别:电分课后习题第一章 电力系统的基本概念(周末班)
类别:电分课后习题第七章 电力系统简单故障分析与计算(周末班)
类别:电分课后习题第五章 电力系统无功功率和电压调整 (周末班)
类别:电分课后习题第四章 电力系统有功功率和频率调整(周末班)
类别:电分课后习题第二章 电力系统各元件特性及数学模型(周末班)
类别:电分课后习题第八章 电力系统内部过电机理(周末班)
类别:高压课后习题长理培训客户端 资讯,试题,视频一手掌握
去 App Store 免费下载 iOS 客户端