¥10.00
推荐等级:A.
B.
C.
D.
A.同一个无源单口网络,由其端口的等效阻抗可以得到其端口的等效导纳,其中等效电导为等效电阻的倒数,等效电纳为等效电抗地倒数
B.如果无源单口网络的端口等效阻抗的虚部小于零,则其虚部可用电容元件等效
C.如果无源单口网络的端口等效导纳的虚部小于零,则其虚部可用电感元件等效
D.无源单口网络既可以并联模型等效,也可以用串联模型等效
开始考试练习点击查看答案A.10
B.0.1
C.100
D.1000
开始考试练习点击查看答案A.A.14
B.10
C.2
D.-14
开始考试练习点击查看答案A.8
B.2
C.4
D.1
开始考试练习点击查看答案A.(1-j1)Ω
B.(1+j1)Ω
C.(1-j2)Ω
D.(1+j2)Ω
开始考试练习点击查看答案A.1
B.10
C.100
D.200
开始考试练习点击查看答案A.5V
B.7V
C.13V
D.19V
开始考试练习点击查看答案A.永远正确
B.在电压、电流为关联参考方向的前提下才成立
C.与参考方向无关
D.与频率有关
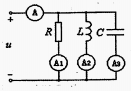
开始考试练习点击查看答案A.感性的
B.容性的
C.电阻性的
D.无法确定
开始考试练习点击查看答案第一章 电介质的电气特性与电气强度(周末班)
类别:高压课后习题第六章 电力系统故障的基本概念(周末班)
类别:电分课后习题第八章 电力系统稳定性基本概念和同步电机的机电特性(周末班
类别:电分课后习题第三章 电力系统各元件特性及数学模型(周末班)
类别:电分课后习题第一章 电力系统的基本概念(周末班)
类别:电分课后习题第七章 电力系统简单故障分析与计算(周末班)
类别:电分课后习题第五章 电力系统无功功率和电压调整 (周末班)
类别:电分课后习题第四章 电力系统有功功率和频率调整(周末班)
类别:电分课后习题第二章 电力系统各元件特性及数学模型(周末班)
类别:电分课后习题第八章 电力系统内部过电机理(周末班)
类别:高压课后习题长理培训客户端 资讯,试题,视频一手掌握
去 App Store 免费下载 iOS 客户端