¥10.00
推荐等级:A.置零
B.短路
C.开路
D.断路
开始考试练习点击查看答案A.支路电流法
B.回路电流法
C.叠加定理
D.戴维南定理
开始考试练习点击查看答案己知通过R0=的电流为()。
A.10A
B.20A
C.30A
D.40A
开始考试练习点击查看答案下图端口的VCR关系是()。
A.u=3i-2
B.u=3i+2
C.u=-3i+2
D.u=-3i-2
开始考试练习点击查看答案下图所示电路求解方法最为简便的是()。
A.用弥尔曼定理求解最为简便,因为电路中只有两个结点。
B.齐性定理最为简便,因为电路中只有两个电源。
C.相量法最为简便,因为电阻的电压电流同相位。
D.谐波分析法最为简便,因为电路中只有直流分置。
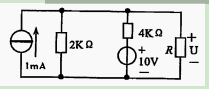
开始考试练习点击查看答案图示电路中电阻&获得的最大功率为()。
A.2.25W
B.2.5W
C.4W
D.12W
开始考试练习点击查看答案在图示电路中,己知:当电压源E单独作用时,通过
的电流是1mA,那么当电压源E和电流源
共哼作用时,通过电阻
的电流
是()
A.3
B.4
C.-3
D.-4
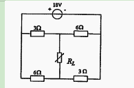
开始考试练习点击查看答案在图示电路中,A、B间电压为12V,当将电流源移走后,测得有源二端线性网络的开路电压=8V,则该有源二端线性网络的等效电压源的内阻值为()。
A.5Ω
B.4Ω
C.3Ω
D.2Ω
开始考试练习点击查看答案图示电路的戴维南等效电路的参数是()。
A.
B.
C.
D.
应用戴维宁定理计算图中的1Ω电阻中的电流时,求去掉1Ω电阻后的开路电压为()。
A.=30V
B.=A0V
C.=50V
D.=60V
长理培训客户端 资讯,试题,视频一手掌握
去 App Store 免费下载 iOS 客户端