¥10.00
推荐等级:A.
B.
C.
D.
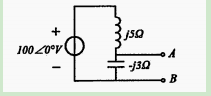
下图所示电路中,AB间的戴维南等效电路中,理想电压源为()。
A.
B.
C.
D.
A.0.5
B.0.6
C.0.8
D.1
开始考试练习点击查看答案A.2.4kVA
B.2kVA
C.5kVA
D.7kVA
开始考试练习点击查看答案A.500Var
B.250Var
C.250Var
D.600Var
开始考试练习点击查看答案A.705W
B.500W
C.0W
D.-500W
开始考试练习点击查看答案A.减少用电设备的有功功率
B.减少用电设备的无功功率
C.减少电源提供的视在功率
D.减少电源提供的有功功率
开始考试练习点击查看答案A.90°
B.0°
C.180°
D.120°
开始考试练习点击查看答案A.保持不变
B.减小
C.增大
D.不一定
开始考试练习点击查看答案A.1
B.0.5
C.0.707
D.0.866
开始考试练习点击查看答案长理培训客户端 资讯,试题,视频一手掌握
去 App Store 免费下载 iOS 客户端