¥10.00
推荐等级:A.大于0.5
B.小于0.5
C.等于0.5
D.与N相关
开始考试练习点击查看答案A.
B.
C.
D.
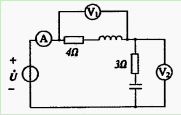
A.2200VA,1760W
B.2200VA,1320W
C.1100VA,660W
D.1100VA,880W
开始考试练习点击查看答案下图所示正弦交流电路中,电流表读数为2A,电压表VI读数为17V,V2读数为10V,电源电压有效值为()。
A.7
B.27
C.7
D.5
A.小于1
B.大于1
C.等于1
D.小于等于1
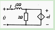
开始考试练习点击查看答案下图所示电路中,r=2,电路的等效阻抗为()。
A.2+j2
B.2-j2
C.-2+j2
D.-2-j2
开始考试练习点击查看答案A.电阻吸收的感性无功功率等于零
B.电感吸收的感性无功功率大于零
C.电感吸收的感性无功功率恒不大于零
D.电容吸收的感性无功功率小于零
开始考试练习点击查看答案A.若将两个电源大小同时调节为原来的0.5倍,则电阻的功率将变成原来功率的0.25倍
B.其电压响应肯定比其中任意一个电源单独作用时要大
C.其电压响应肯定比其中任意一个电源单独作用时要小
D.若将两个电源的大小同时调节为原来的5倍,则电阻的功率将变成原来功率的10倍
开始考试练习点击查看答案A.
B.
C.
D.
A.瞬时功率
B.平均功率
C.瞬时功率最大值
D.有功功率
开始考试练习点击查看答案长理培训客户端 资讯,试题,视频一手掌握
去 App Store 免费下载 iOS 客户端