¥10.00
推荐等级:A.30Ω
B.60Ω
C.90Ω
D.120Ω
开始考试练习点击查看答案A.电容、电阻
B.电感、电阻
C.电压源、电阻
D.电流源电阻
开始考试练习点击查看答案A.弥尔曼定理
B.戴维南定理
C.叠加定理
开始考试练习点击查看答案A.15A
B.5A
C.20A
D.25A
开始考试练习点击查看答案A.线性
B.非线性
C.线性和非线性
开始考试练习点击查看答案A.电压源
B.开路
C.短路
D.任意
开始考试练习点击查看答案A.0.5V
B.-0.5V
C.1V
D.-1V
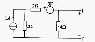
开始考试练习点击查看答案A.1Ω
B.-1Ω
C.2Ω
D.-2Ω
开始考试练习点击查看答案A.0
B.r
C.2r
D.r/2
开始考试练习点击查看答案A.5W
B.10W
C.20W
D.40W
开始考试练习点击查看答案第一章 电介质的电气特性与电气强度(周末班)
类别:高压课后习题第六章 电力系统故障的基本概念(周末班)
类别:电分课后习题第八章 电力系统稳定性基本概念和同步电机的机电特性(周末班
类别:电分课后习题第三章 电力系统各元件特性及数学模型(周末班)
类别:电分课后习题第一章 电力系统的基本概念(周末班)
类别:电分课后习题第七章 电力系统简单故障分析与计算(周末班)
类别:电分课后习题第五章 电力系统无功功率和电压调整 (周末班)
类别:电分课后习题第四章 电力系统有功功率和频率调整(周末班)
类别:电分课后习题第二章 电力系统各元件特性及数学模型(周末班)
类别:电分课后习题第八章 电力系统内部过电机理(周末班)
类别:高压课后习题长理培训客户端 资讯,试题,视频一手掌握
去 App Store 免费下载 iOS 客户端