¥10.00
推荐等级:A.1.5A,2Ω
B.3A,2Ω
C.1.5A,6Ω
D.3A,6Ω
开始考试练习点击查看答案A.3V
B.2V
C.1V
D.4V
开始考试练习点击查看答案A.-2V
B.6V
C.8V
D.10V
开始考试练习点击查看答案A.戴维南电压源高电位端对应诺顿电流源电流流入端
B.等效变换时电压源和电流源的参考方向可以任意假定
C.等效变换时无需考虑参考方向问题
D.戴维南电压源高电位端对应诺顿电流源电流流出端
开始考试练习点击查看答案电路如图所示,U为独立电压源,若外电路不变,仅电阻R变化时,将会引起下述哪种变化( )。
A.端电压U的变化
B.输出电流I的变化.
C.电阻R支路电流的变化
D.上述三者同时变化
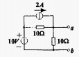
开始考试练习点击查看答案A.4V,4Ω
B.3V,4Ω
C.3V,3Ω
D.3V,2Ω
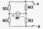
开始考试练习点击查看答案A.15V,5Ω
B.5V,5Ω
C.3V,5Ω
D.10V,5Ω
开始考试练习点击查看答案A.1A,S
B.1A,S
C.2A,S
D.2A,S
A.1Ω
B.3Ω
C.5Ω
D.7Ω
开始考试练习点击查看答案A.4A
B.6A
C.8A
D.8.4A
开始考试练习点击查看答案第一章 电介质的电气特性与电气强度(周末班)
类别:高压课后习题第六章 电力系统故障的基本概念(周末班)
类别:电分课后习题第八章 电力系统稳定性基本概念和同步电机的机电特性(周末班
类别:电分课后习题第三章 电力系统各元件特性及数学模型(周末班)
类别:电分课后习题第一章 电力系统的基本概念(周末班)
类别:电分课后习题第七章 电力系统简单故障分析与计算(周末班)
类别:电分课后习题第五章 电力系统无功功率和电压调整 (周末班)
类别:电分课后习题第四章 电力系统有功功率和频率调整(周末班)
类别:电分课后习题第二章 电力系统各元件特性及数学模型(周末班)
类别:电分课后习题第八章 电力系统内部过电机理(周末班)
类别:高压课后习题长理培训客户端 资讯,试题,视频一手掌握
去 App Store 免费下载 iOS 客户端