¥10.00
推荐等级:A.集总参数电路
B.分布参数电路
C.线性电路
D.非线性电路
开始考试练习点击查看答案A.-5V
B.5V
C.20V
D.-20V
开始考试练习点击查看答案A.非关联,吸收
B.非关联,发出
C.关联,吸收
D.关联,发出
开始考试练习点击查看答案A.增大
B.减少
C.不变
D.先增大后减小
开始考试练习点击查看答案A.电压加倍
B.电压减半
C.电阻加倍
D.电阻减半
开始考试练习点击查看答案A.u=-C
B.i=C
C.i=-C
D.u=C
A.越大
B.越小
C.不变
D.不能确定
开始考试练习点击查看答案A.24
B.20
C.-24
D.-20
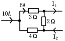
开始考试练习点击查看答案A.7A
B.3A
C.-3A
D.4A
开始考试练习点击查看答案A.5W
B.-5W
C.25W
D.-25W
开始考试练习点击查看答案长理培训客户端 资讯,试题,视频一手掌握
去 App Store 免费下载 iOS 客户端