¥10.00
推荐等级:A.电阻
B.电容
C.电感
D.无法确定
开始考试练习点击查看答案A.0.5Ω
B.1.5Ω
C.2.5Ω
D.2Ω
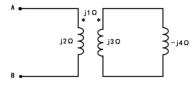
开始考试练习点击查看答案A.b端的输入阻抗Zab为( )。j20
B.j8
C.j9
D.j10
开始考试练习点击查看答案A.支路电流的参考方向
B.支路电压的参考方向
C.同名端的位置
D.总电流的参考方向
开始考试练习点击查看答案A.感性
B.容性
C.阻性
D.无法确定
开始考试练习点击查看答案A.-j3Ω
B.j3Ω
C.-j4Ω
D.j4Ω
开始考试练习点击查看答案A.
B.
C.
D.
A.j1
B.-j1
C.j2
D.-j2
开始考试练习点击查看答案A.
B.
C.
D.
A.7mH,3mH
B.3mH,7mH.
C.13mH,7mHS
D.7mH,13mH
开始考试练习点击查看答案长理培训客户端 资讯,试题,视频一手掌握
去 App Store 免费下载 iOS 客户端