¥10.00
推荐等级:A.10W
B.5W
C.-5W
D.-10W
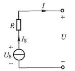
开始考试练习点击查看答案A.理想电压源
B.理想电压源与电阻串联
C.理想电压源与电阻并联
D.理想电流源与电阻串联
开始考试练习点击查看答案A.∑I=0
B.U=IR
C.U=E-IR
D.∑E=∑IR
开始考试练习点击查看答案A.端口电压U变化
B.端口电流I变化
C.电流源Is两端的电压Us变化
D.上述三者同时变化
开始考试练习点击查看答案A.50mA
B.2.5mA
C.250mA
开始考试练习点击查看答案A.1A
B.2A
C.5A
D.4A
开始考试练习点击查看答案A.4
B.-4
C.2
D.-2
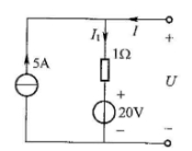
开始考试练习点击查看答案A.U=25+I
B.U=25-I
C.U=-25-I
D.U=-25+I
开始考试练习点击查看答案A.电流
B.电压
C.电动势
D.电阻
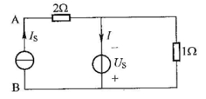
开始考试练习点击查看答案A.(8+R)I²=2,(8+R)I=10
B.(8+R)I²=2,-(8+R)I=10
C.-(8+R)I²=2,-(8+R)I=10
D.-(8+R)I²=2,(8+R)I=10
开始考试练习点击查看答案长理培训客户端 资讯,试题,视频一手掌握
去 App Store 免费下载 iOS 客户端