¥10.00
推荐等级:A.理想电压源
B.理想电流源
C.理想电压源与电阻串联
D.理想电流源与电阻并联
开始考试练习点击查看答案A.理想电压源
B.理想电流源
C.理想电压源与电阻串联
D.理想电流源与电阻并联
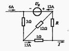
开始考试练习点击查看答案求图示电路中电流i=( )。
A.1
B.-1A
C.2A
D.-2A
开始考试练习点击查看答案A.0.5kΩ
B.2kΩ
C.10kΩ
D.8kΩ
开始考试练习点击查看答案A.分子为Y形电阻的两两乘积之和
B.分子为Y形电阻之差
C.分子为Y形与之对应两节点无关的电阻
D.分母为Y形之对应两节点无关的电阻之积
开始考试练习点击查看答案A.60V
B.-60V
C.90V
D.-90V
开始考试练习点击查看答案A.2.33Ω
B.3.33Ω
C.4.33Ω
D.5.33Ω
开始考试练习点击查看答案A.5Ω
B.4Ω
C.3Ω
D.2Ω
开始考试练习点击查看答案A.增加
B.减小
C.不变
D.不确定
开始考试练习点击查看答案当理想电流源的端电压减小时,其输出电流将( )。
A.增加
B.减小
C.不变
D.不确定
开始考试练习点击查看答案第一章 电介质的电气特性与电气强度(周末班)
类别:高压课后习题第六章 电力系统故障的基本概念(周末班)
类别:电分课后习题第八章 电力系统稳定性基本概念和同步电机的机电特性(周末班
类别:电分课后习题第三章 电力系统各元件特性及数学模型(周末班)
类别:电分课后习题第一章 电力系统的基本概念(周末班)
类别:电分课后习题第七章 电力系统简单故障分析与计算(周末班)
类别:电分课后习题第五章 电力系统无功功率和电压调整 (周末班)
类别:电分课后习题第四章 电力系统有功功率和频率调整(周末班)
类别:电分课后习题第二章 电力系统各元件特性及数学模型(周末班)
类别:电分课后习题第八章 电力系统内部过电机理(周末班)
类别:高压课后习题长理培训客户端 资讯,试题,视频一手掌握
去 App Store 免费下载 iOS 客户端