¥10.00
推荐等级:A.1Ω
B.2Ω
C.3Ω
D.4Ω
开始考试练习点击查看答案A.2
B.8
C.16
D.128
开始考试练习点击查看答案A.2V
B.3V
C.1V
D.0
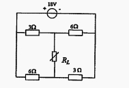
开始考试练习点击查看答案电路如图所示,其戴维宁等效电路参数为( )。
A.2V,2Ω
B.1V,2Ω
C.3V,2Ω
D.2V,1Ω
开始考试练习点击查看答案A.3
B.4
C.-3
D.-4
开始考试练习点击查看答案A.2.25W
B.2.5W
C.4W
D.12W
开始考试练习点击查看答案A.单电源
B.较大
C.较小
D.R.L
开始考试练习点击查看答案A.外电路电阻
B.除源后的入端电阻
C.电源内阻
D.等效前两端电阻
开始考试练习点击查看答案A.2W
B.3W
C.4W
D.5W
开始考试练习点击查看答案A.1,9
B.1.5,6
C.2,18
D.1,18
开始考试练习点击查看答案第一章 电介质的电气特性与电气强度(周末班)
类别:高压课后习题第六章 电力系统故障的基本概念(周末班)
类别:电分课后习题第八章 电力系统稳定性基本概念和同步电机的机电特性(周末班
类别:电分课后习题第三章 电力系统各元件特性及数学模型(周末班)
类别:电分课后习题第一章 电力系统的基本概念(周末班)
类别:电分课后习题第七章 电力系统简单故障分析与计算(周末班)
类别:电分课后习题第五章 电力系统无功功率和电压调整 (周末班)
类别:电分课后习题第四章 电力系统有功功率和频率调整(周末班)
类别:电分课后习题第二章 电力系统各元件特性及数学模型(周末班)
类别:电分课后习题第八章 电力系统内部过电机理(周末班)
类别:高压课后习题长理培训客户端 资讯,试题,视频一手掌握
去 App Store 免费下载 iOS 客户端