¥10.00
推荐等级:A.25Ω
B.50Ω
C.100Ω
D.125Ω
开始考试练习点击查看答案A.有伴电压源需等效成有伴电流源代到方程中
B.当无伴电压源不属于两个网孔共有时,该网孔电流为已知量,可省去一个KVL方程
C.若电路中含有受控源,可将该受控源看作独立电源后,再将该受控源的控制量用网孔电流表示
D.若存在无伴电流源,则将与其串联的元件(如果有)直接略去后再正常处理
开始考试练习点击查看答案A.电导元件和电压源
B.电阻元件和电压源
C.电导元件和电流源
D.电阻元件和电流源
开始考试练习点击查看答案A.N为线性无源二端网络,NL为线性无源二端网络
B.N为线性有源二端网络,NL不必是线性二端网络
C.N和NL都是线性有源二端网络
D.N为线性无源二端网络,NL不必是线性二端网络
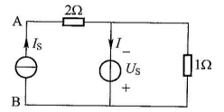
开始考试练习点击查看答案A.6W
B.-2W
C.2W
D.-6W
开始考试练习点击查看答案A.1V
B.2V
C.3V
D.4V
开始考试练习点击查看答案A.3
B.1
C.1/3
D.2/3
开始考试练习点击查看答案A.0.5V
B.-0.5V
C.1V
D.-1V
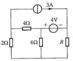
开始考试练习点击查看答案A.15A
B.5A
C.20A
D.25A
开始考试练习点击查看答案A.5
B.10
C.2.5
D.4
开始考试练习点击查看答案长理培训客户端 资讯,试题,视频一手掌握
去 App Store 免费下载 iOS 客户端